Zum Hauptinhalt springen Zur Suche springen Zur Hauptnavigation springen

Einsteckschloss, 1000,PZW72/9, D65,F24x235rd,Si,DR, m.Logo

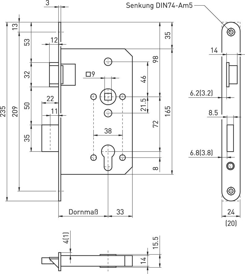
FH-Einsteckschloss 1000


  • Für Holz- /S tahltüren und Feuerschutzabschlüsse nach DIN EN 12209

PZW, 2-tourig

Verbundfalle und Riegel, Stahl verzinkt

Edelstahlstulp: Stahl vernickelt

Nuss: 9 mm

Stulp abgerundet

PZ Ausführung mit Wechsel

Ohne Schließblech

Hersteller: Beyer & Müller GmbH & Co. KG, Am Lindenkamp 55, 42549 Velbert, DE, +49205142320, info@beyer-und-mueller.de
Ausführung:
PZW
Markenname:
BMH
DIN Richtung:
rechts
Gruppe_2:
Einsteckschlösser, ZT, HT und Panik
Entfernung:
72 mm
Dornmaß:
65 mm
Gruppe_3:
Schließtechnik
Stulp:
24 x 235 mm
Gruppe_4:
LL_Bau-_und_Möbelbeschläge_2025_26
Oberfläche Stulp:
Stahl verzinkt