Zum Hauptinhalt springen Zur Suche springen Zur Hauptnavigation springen

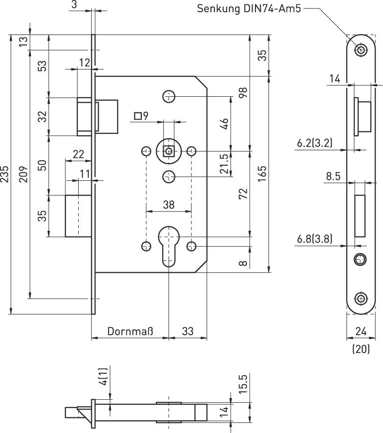
PA-Schl.1013 PZ72/9,D65,F

FH-Panikschloss 1013 PZ


  • Für Stahltüre n und Feuerschutzabschlüsse, Norm: DIN EN 1125, DIN EN 179

Panikfunktion: Durchgangsfunktion D

Für gefälzte Türen

PZ, 2-tourig

Nuss: 9 mm, zweiteilig

Stulp abgerundet

PZ Ausführung ohne Wechsel

Ohne Schließblech








Durchgangsfunktion D:
Innen (Standard): Durch Drückerbe t ätigung werden die Falle und der vorgeschlossene Riegel zurückgezoge n. Die Tür kan n geöffnet werden. Außen: Durch den Drücker kann die F alle zurückgezogen werden. Die Tür is t durch Zuschlagen v on außen noch nicht gesichert. Zum Sic h ern der Tür ist d i e Verriege l ung mit dem Schlüssel erforderli c h.

Hersteller: Beyer & Müller GmbH & Co. KG, Am Lindenkamp 55, 42549 Velbert, DE, +49205142320, info@beyer-und-mueller.de
Zusatzinformation: EN 1125 und EN 179 nur in Kombination mit zugelassenen Beschlägen.
Ausführung:
PZ
DIN Richtung:
rechts
Gruppe_2:
Einsteckschlösser, ZT, HT und Panik
Entfernung:
72 mm
Dornmaß:
65 mm
Gruppe_3:
Schließtechnik
Stulp:
24 x 235 mm
Gruppe_4:
LL_Bau-_und_Möbelbeschläge_2025_26
Oberfläche Stulp:
Stahl verzinkt
Falle und Riegel:
Stahl verzinkt