Zum Hauptinhalt springen Zur Suche springen Zur Hauptnavigation springen

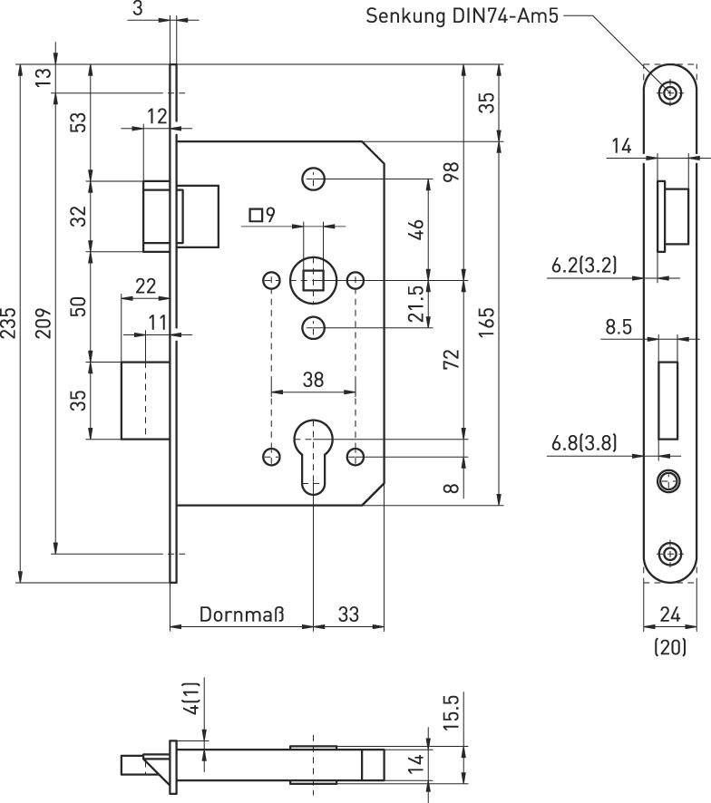
PA-Schl.1013 PZW72/9,D65,

FH-Panikschloss 1013 PZW


  • Für Stahltüre n und Feuerschutzabschlüsse, Norm: EN 1125, DIN EN 179

Panikfunktion: Wechselfunktion E

PZW, 2-tourig

Nuss: 9 mm, einteilig

Stulp abgerundet

PZW Ausführung mit Wechsel

Ohne Schließblech











Wechselfunktion E:
Funktion von der Gefahrenseite (innen) : Über den Drücker werden der Riegel und die Falle zurückgezogen. Durchgang ist immer möglich. Funktion von der Bandseite (außen) : Durch Verwendung einer Wechselgarnitur mi t feststehendem Kna u f ist eine Öffnung der Tür nur mit dem Sch l üssel mög li ch.

Hersteller: Beyer & Müller GmbH & Co. KG, Am Lindenkamp 55, 42549 Velbert, DE, +49205142320, info@beyer-und-mueller.de
Zusatzinformation: EN 1125 und EN 179 nur in Kombination mit zugelassenen Beschlägen.
Ausführung:
PZW
DIN Richtung:
links
Gruppe_2:
Einsteckschlösser, ZT, HT und Panik
Entfernung:
72 mm
Dornmaß:
65 mm
Gruppe_3:
Schließtechnik
Stulp:
24 x 235 mm
Gruppe_4:
LL_Bau-_und_Möbelbeschläge_2025_26
Oberfläche Stulp:
Edelstahl
Falle und Riegel:
Stahl vernickelt