Zum Hauptinhalt springen Zur Suche springen Zur Hauptnavigation springen

Ankerhülse FIS H 18x130/200 K

45707

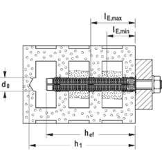
Die fischer Injektions-Durchsteckankerhülse FIS H K ist die Systemkomponente für die Verwendung der fischer Injektionsmörtel in Lochstein-Mauerwerk in der Durchsteckmontage. Die Ankerhülse wird dazu mit der Skalierung und dem verschiebbaren Rand auf die Dicke des Anbauteils angepasst und abgeschnitten. Der Injektionsmörtel wird vom Grund der Ankerhülse verfüllt. Beim Setzen der Ankerstange wird der Mörtel durch die Gitterstruktur gedrückt und verbindet sich im Formschluss mit dem Lochstein. Dadurch wird die Last in den Baustoff geleitet. Mit der Injektions- Durchsteckankerhülse können auch nicht tragende Schichten überbrückt werden. Die Durchsteckankerhülse FIS H K ist für die Befestigung von Holzkonstruktionen, Carports oder Markisen geeignet.

Eigenschaften

  • Durchsteckmontage reduziert Zeit und Kosten bei mehreren Befestigungspunkten.
  • Ankerhülse kann auf benötigte Nutzlänge abgeschnitten werden. Dies spart Zeit und reduziert Komplexität bei Auswahl.
  • Leichte Anpassung der Ankerhülse auf Nutzlänge mit Skalierung und verschiebbarem Rand. Das spart Zeit.
  • ETA-Zulassung.

Vorteile

  • Die Gitterstruktur der Ankerhülse FIS H K ist abgestimmt auf die Injektionsmörtel FIS V Plus, Multifunktionsmörtel, Montagemörtel FIS VL, Montagemörtel Green und sorgt für sparsamen Mörtelverbrauch bei optimalem Formschluss.
  • Die Zentrierflügel richten das Befestigungselement in der Ankerhülse ideal aus und ermöglichen den Einsatz verschiedener Ankerstangendurchmesser.
  • Die Widerhaken halten die Ankerhülse fest im Bohrloch und ermöglichen so eine problemlose Überkopfmontage.
  • Die Geometrie der Ankerhülsen erlaubt die Überbrückung nicht tragender Schichten für eine bequeme und einfache Montage.
  • Bitte beachten Sie die Zulassungen der jeweiligen Injektionsmörtel.

Anwendung

  • Die Ankerhülse FIS H K kann je nach Anwendung mit den Injektionsmörteln FIS V Plus, Multifunktionsmörtel, Montagemörtel FIS VL oder Montagemörtel Green verwendet werden.
  • Das System ist in Verbindung mit Injektions-Ankerhülsen und Ankerstangen FIS A oder Innengewindeanker FIS E geeignet für die Vorsteckmontage.
  • Die Ankerhülse wird in das Bohrloch gesteckt und vom Ankerhülsengrund her mit Injektionsmörtel verfüllt.
  • Beim Eindrehen des Befestigungselements wird der Mörtel durch die Gitterstruktur der Ankerhülse gedrückt und passt sich dem Verankerungsgrund optimal an. Die Last wird über Formschluss abgetragen.
Lade Varianten ... Loading...
Material:
Edelstahl A4 Kunststoff
Typ:
Injektions-Durchsteckankerhülse
Oberfläche:
Gitterstruktur
Gewinde:
fehlt
Zulassung:
ETA-Zulassung
Bohrlochtiefe min.:
140 mm
Bohrdurchmesser:
18 mm
Verankerungstiefe:
130 mm