Zum Hauptinhalt springen Zur Suche springen Zur Hauptnavigation springen

HT-ES-34,PZW92/10,D65,F22

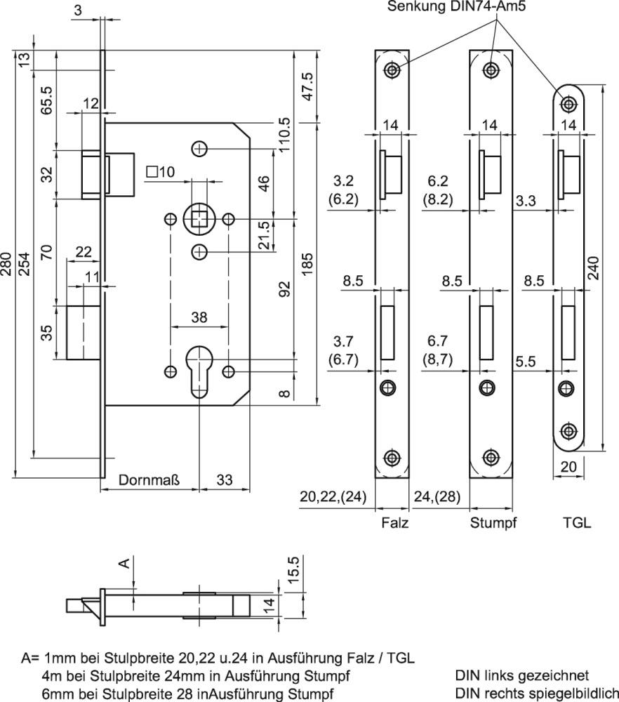
Haustür-Einsteckschloss 34


  • Für gefälzte Türen

PZW 2-tourig

Falle und Riegel, Stahl verzinkt

Nuss: 10 mm

Stulp kantig

PZ Ausführung mit Wechsel

Ohne Schließblech

Hersteller: Beyer & Müller GmbH & Co. KG, Am Lindenkamp 55, 42549 Velbert, DE, +49205142320, info@beyer-und-mueller.de
Lade Varianten ... Loading...
Ausführung:
PZW
DIN Richtung:
links
Gruppe_2:
Einsteckschlösser, ZT, HT und Panik
Entfernung:
92 mm
Dornmaß:
65 mm
Gruppe_3:
Schließtechnik
Stulp:
22 x 280 mm
Gruppe_4:
LL_Bau-_und_Möbelbeschläge_2025_26
Oberfläche Stulp:
Stahl silber lackiert