Zum Hauptinhalt springen Zur Suche springen Zur Hauptnavigation springen

Hyd.Dehnspf.D69893A G2,5 HSK-A100 16x 100 mm Fortis

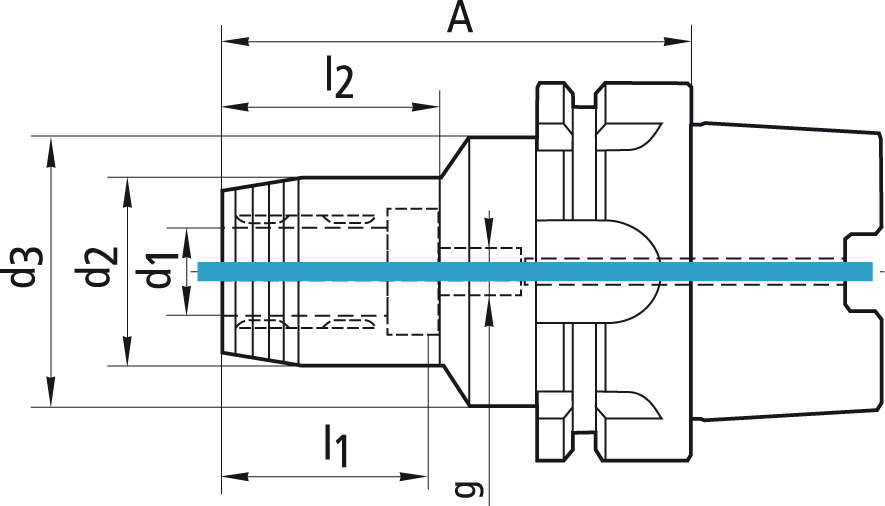
Hydro-Dehnspannfutter mit Innenkühlung

  • ISO 12164-1 (DIN 69893)
  • Kegelwinkel-Toleranz AT3
  • Rundlaufgenauigkeit 0,003 mm bei 2,5xD
  • Ballufchip-Bohrung
  • Gewuchtet G2,5 / 25.000 min-1
Lade Varianten ... Loading...
Gewinde:
G2,5
Aufnahme:
16 mm
Auskraglänge [mm]:
100.0
Durchmesser Abgesetzter [mm]:
38.0
Durchmesser Kopf [mm]:
50.0
Durchmesser Aufnahme [mm]:
16.0