Zum Hauptinhalt springen Zur Suche springen Zur Hauptnavigation springen

ZT-ES- 300,WC78/8,D60,F20

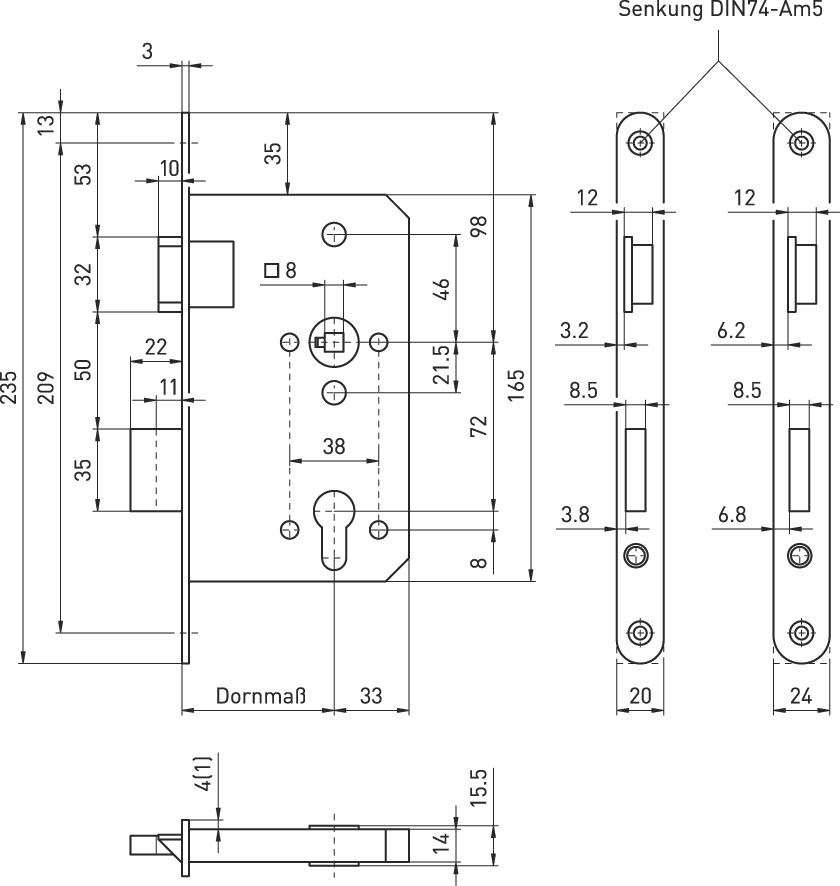
Zimmertür-Objekt-Einsteckschloss 300, Klasse 3


  • Nach DIN 18251, Klasse 3

Für gefälzte Türen

PZW 2-tourig, Bad/WC 1-tourig

Falle und Riegel, Zinkdruckguss vernickelt

Nuss: 8 mm, Feder-Klemmnuss

Stulp abgerundet

PZ Ausführung mit Wechsel

Ohne Schließblech

Hersteller: Beyer & Müller GmbH & Co. KG, Am Lindenkamp 55, 42549 Velbert, DE, +49205142320, info@beyer-und-mueller.de
Lade Varianten ... Loading...
Ausführung:
WC
DIN Richtung:
links
Gruppe_2:
Einsteckschlösser, ZT, HT und Panik
Entfernung:
78 mm
Dornmaß:
60 mm
Gruppe_3:
Schließtechnik
Stulp:
20 x 235 mm
Gruppe_4:
LL_Bau-_und_Möbelbeschläge_2025_26
Oberfläche Stulp:
Edelstahl