Zum Hauptinhalt springen Zur Suche springen Zur Hauptnavigation springen

ZT-Schieb.Schl.o.W.PZ, D55,20ktg.0371,Zirk.ERgeb

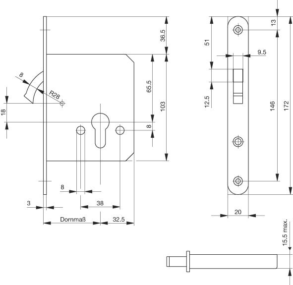
Schiebetürschloss,
mit Zirkelriegel, 0371


  • Mit verchromtem Zirkelriegel

Dornmaß: 55 mm

Stulp: 20 x 172 mm, Edelstahl matt

PZ-vorgerichtet

Hersteller: BKS GmbH, Heidestr.71, 42549 Velbert, DE, +4920512010, info@bks.de
Lochung:
PZ
Dornmaß:
55 mm